M1628-MPXCBC(computar)<CCTVレンズ専門店:秋葉原ユニエル電子(Home)
有限会社ユニエル電子 ※ These products are sold only in Japan. お問い合わせ サイトマップ

■CBC(computar)CCTVレンズ
CBC
computar
[メーカー紹介:CBC]
旧社名は中外貿易。合成樹脂から衣料製品、医薬品を取り扱うケミカル系のメーカーであり商社です。
CCTVのブランド名はシステム系がGANZ(ガンツ)、レンズはcomputar(コンピューター)です。
CBCのcomputarレンズは業界一のシェアを持つトップブランドです。
  • MPXシリーズ、メガピクセル対応レンズ特徴
    • 過酷な検査環境にも適応する耐震性と耐衝撃性の設計
    • 2/3"型 1600万画素(=16MP)のカメラ対応 (高解像度:2μm以下の画素サイズ対応)
    • フローティング機構の採用により、至近距離から遠距離までの高性能化を実現
    • 従来比より多い610°のフォーカス回転角(多回転)による緻密なピント調整が可能 (従来調整角=200°)
    • 対応センサー:IMX536(546/566)?IMX537(547/566)/IMX676/IMX226/IMX178 ※ Sony Pregius S 4th Generation 対応

■16メガピクセル(MP)対応レンズ
CBC(computar) :2/3"型用高解像度レンズ (※CSカメラに装着する場合はC/CSマウントアダプターが必要です。 )

焦点距離

絞り値

絞り機構

最短撮影距離

対応カメラ

価格:消費税10% メーカー 型番 備考
16mm F2.8-16 手動 0.1m 2/3"型 お尋ね下さい CBC M1628-MPX 16メガピクセル

型 番 M1628-MPX
価格
消費税10%
お尋ね下さい
焦点距離 16 mm
絞り範囲 F2.8-16
最短撮影距離 0.1m
適合撮像素子 2/3"型
マウント C-mount
画角(2/3"時) 30.8°(水平)
画角(1/2"時) 22.7°(水平)
画角(1/3"時) 17.1°(水平)
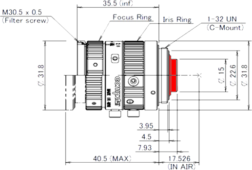
本体寸法 31.8φ×40.5(49.43)Lmm
本体重量 74g
フィルター径 M30.5xP=0.5mm
絞り/距離 手動/手動
M1628-MPX
16 mm
2/3 "型C
仕様書PDF (109KB)

M1628-MPX寸法図
※ [ご注意] レンズ後玉(赤色部)がマウント部より
出っ張る為、装着できないカメラもあります。
[コラム:後玉解説]

※上記以外のCBC(computar)製品お取り寄せ承ります。URL:http://www.cbc.co.jp
[▲TOP]