LM16HC-SWKOWA(コーワ:興和)<CCTVレンズ専門店:秋葉原ユニエル電子(Home)
有限会社ユニエル電子 ※ These products are sold only in Japan. お問い合わせ サイトマップ

 ■興和(KOWA:コーワ)CCTV交換レンズ
興和 [メーカー紹介:興和オプトロニクス(株)]
キャベジン、コルゲン等の興和ですが、光学機器分野の参入は医薬品より古い歴史があります。
往年のカメラ・コーワ6、景勝地での双眼鏡やフィールドスコープ等でファンが多い光学メーカーです

※ 令和3年4月、興和オプトロニクス(株)に社名変更。(旧社名:興和光学(株)・(株)光研)
  • 1"型 近赤外線補正(HC-SW)レンズシリーズ
    • 広帯域(800nm~1,900nm)に高い透過率を可能にする特殊コートを採用
    • 可視・近赤外域に高画質を保つ光学設計。
    • フォーカス&アイリスロックつまみ付のため、振動等の環境に対応

■SWIR(短波赤外線)対応レンズ
KOWA(興和) :1"型用高解像度レンズ

焦点距離

絞り値

絞り機構

対応カメラ

価格:消費税10% メーカー 型番 備考
16mm F1.4-16 手動 1"型C 税込:107,800円(税別:98,000円) Kowa LM16HC-SW MP
IR

型 番 LM16HC-SW
価格
消費税10%
税込:107,800円
(税別:98,000円)
焦点距離 16 mm
絞り範囲 F1.4-16
最短撮影距離 0.3m
適合撮像素子 1"型
マウント C-mount
画角(1"時) 44.3°(水平)
画角(2/3"時) 30.8°(水平)
画角(1/1.8"時) 25.3°(水平)
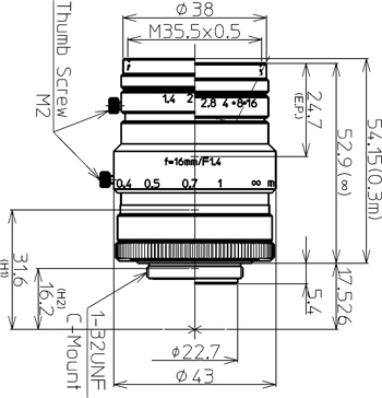
本体寸法 43φ×54.15(59.55Lmm
本体重量 150g
フィルター径 M35.5xP=0.5mm
絞り/距離 手動/手動

LM16HC-SW
16 mm
1 "型C

LM16HC-SW寸法図
■最近接距離・光学倍率  
撮影距離:WD(mm) 光学倍率 接写リング 視野サイズ(mm):VxH ※ 計算値
1"型時
(9.6x12.8)
2/3"型時
(6.6x8.8)
1/1.8"型時
(5.4x7.2)
300mm 0.052 x - 186.2x251.5 126.8x170.3 103.4x138.6

短波赤外(SWIR=Short Wave Infra Red:900nm~1,700nm)対応産業用レンズ:
赤外線は可視光に比べて波長が長く、散乱しにくいので、この特徴を利用して非破壊検査が可能となります。薄い膜の容器の内容量を透過して撮影したり、製品の傷等の検査、品質管理などに応用されています。(※ 短波赤外の撮影には専用カメラが必要になります。)

 ※ [SWIR(短波赤外)講座]ご参照下さい。


※※上記以外の興和(KOWA:コーワ)CCTVレンズお取り寄せ承ります。