LM25SCKOWA(コーワ:興和)<CCTVレンズ専門店:秋葉原ユニエル電子(Home)
有限会社ユニエル電子 ※ These products are sold only in Japan. お問い合わせ サイトマップ

 ■興和(KOWA:コーワ)CCTV交換レンズ
興和 [メーカー紹介:興和光学(株)]
キャベジン、コルゲン等の興和ですが、光学機器分野の参入は医薬品より古い歴史があります。
往年のカメラ・コーワ6、景勝地での双眼鏡やフィールドスコープ等でファンが多い光学メーカーです

※ 平成25年4月、興和の子会社「(株)光研」が、社名変更し、興和光学(株)になりました。
  • 単焦点メガピクセル対応レンズ特徴
    • 高精細1"型(φ16mm)センサーに対応。6メガピクセル・オーバー。
    • 周辺解像度の低下が少なく、中心から周辺に至る全域で高解像度・高コントラストを実現。
    • 高精度非球面レンズの採用で、低ディストーション・高解像度を両立。
    • ワイドマルチバンドコート採用

■6メガピクセル対応レンズ
KOWA(興和) :1"型用高解像度レンズ

焦点距離

絞り値

絞り機構

最短撮影距離

対応カメラ

価格:消費税10% メーカー 型番 備考
25mm F1.8-22 手動 0.15m 1"型C 税込:69,300円(税別:63,000円) Kowa LM25SC 6メガピクセル

型 番 LM25SC
価格
消費税10%
税込:69,300円
(税別:63,000円)
焦点距離 25 mm
絞り範囲 F1.8-16
最短撮影距離 0.15m
適合撮像素子 1"型
マウント C-mount
画角(1"時) 28.9°(水平)
画角(2/3"時) 20.1°(水平)
画角(1/1.8"時) 16.5°(水平)
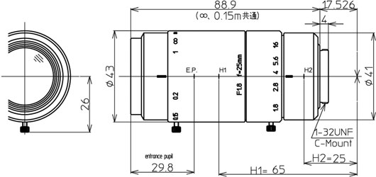
本体寸法 43φ×89(93)Lmm
本体重量 245g
フィルター径 M34.5xP=0.5mm
絞り/距離 手動/手動




LM25SC
25 mm
1 "型C
LM25SC寸法図
■近接時の撮影距離(WD)と視野サイズ(※計算値)
WD(mm)
撮影距離
光学倍率

接写リング
(mm)

視野サイズ(mm):V x H ※計算値
1"型時
2/3"型時
150
0.15
-
64x84.66
44x58.66
115
0.19
1mm
50.52x66.84
34.73x46.31
56
0.35
5mm
27.42x36.28
18.85x25.14
31
0.55
10mm
17.45x23.09
12x16
12
0.96
20mm
10x13.22
6.87x9.16
 ※視野サイズ= 素子サイズ/光学倍率
※※接写リングはこちらです。

※※上記以外の興和(KOWA:コーワ)CCTVレンズお取り寄せ承ります
[▲TOP]