KCM-EXシリーズ(x3・x4・x5)エクステンダーケンコー・トキナー<CCTVレンズ専門店:秋葉原ユニエル電子(Home)
有限会社ユニエル電子 ※ These products are sold only in Japan. お問い合わせ サイトマップ

 ■エクステンダー(リヤコンバーター):Cマウント用(ケンコー・トキナー)
Tokina

[メーカー紹介:トキナー]
2011年6月、トキナー(Tokina)とケンコー(Kenko)が合併。前身のトキナー光学(旧:東京光器製作所)は1950年設立。
35mm一眼レフ(フィルム)カメラの交換レンズでもお馴染です。


 エクステンダーはマスターレンズとカメラの間に装着し、 被写体距離(WD:WORKING DISTANCE)を変えることなく撮影倍率を上げます。
ただし、F値が暗くなり、解像度・コントラストが落ちます。

型番 KCM-3EX
メーカー ケンコー・トキナー
価格
消費税10%
お尋ね下さい
マウント C
適合素子 2/3"型
倍率 3倍
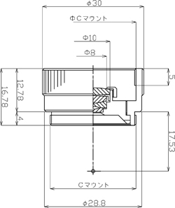
本体寸法 30φx12.78(16.78)Lmm
本体重量 14.6 g
備考

3絞り分、暗くなります。
※突起部の長いマスター
 レンズには装着不可。

KCM-3EX
KCM-3EX


KCM-3EX寸法図
[※ご注意] 後玉(マウント部より後方のレンズ)が出っ張るマスターレンズには、物理的に取付が出来ません。ご利用になるレンズの寸法をご確認下さい。

型番 KCM-4EX
(=HRRC-4X)
メーカー ケンコー・トキナー
価格
消費税10%
お尋ね下さい
マウント C
適合素子 1/2"型
倍率 4倍
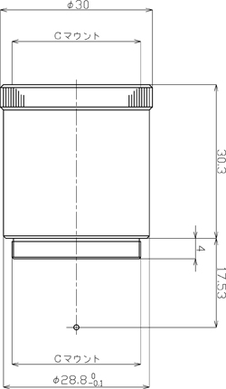
本体寸法 30φx30.2(34.2)Lmm
本体重量 30.8g
備考

4絞り分、暗くなります。
※突起部の長いマスター
 レンズには装着不可。

KCM-4EX
KCM-4EX
(=HRRC-4X)

KCM-4EX寸法図
[※ご注意] 後玉(マウント部より後方のレンズ)が出っ張るマスターレンズには、物理的に取付が出来ません。ご利用になるレンズの寸法をご確認下さい。

型番 KCM-5EX
メーカー ケンコー・トキナー
価格
消費税10%
お尋ね下さい
マウント C
適合素子 2/3"型
倍率 5倍
本体寸法 30φx30.3(34.3)Lmm
本体重量 24.5g
備考

5絞り分、暗くなります。
※突起部の長いマスター
 レンズには装着不可。

KCM-5EX
KCM-5EX

KCM-5EX寸法図
[※ご注意] 後玉(マウント部より後方のレンズ)が出っ張るマスターレンズには、物理的に取付が出来ません。ご利用になるレンズの寸法をご確認下さい。

■エクスタンダー一覧
倍率 マウント メーカー 型番 価格:消費税10% 適合素子サイズ 備考
x1.5 C CBC EX1.5C 税込:11,000円(税別:10,000円) 2/3"型  
x1.5 C Tokina KCM-1.5EX お尋ね下さい 2/3"型  
x2 C - YR-X2C(クロム) 税込:9,900円(税別:9,000円) 1"型  
x2 C CBC EX2C 税込:13,200円(税別:12,000円) 2/3"型  
x2 C OPTOWL FP-EX2 税込:10,835円(税別:9,850円) 2/3"型  旧:RICOH /PENTAX
x2.5 C Tokina KCM-2.5EX お尋ね下さい 2/3"型  
x3 C VST SV-3.0XV 税込:26,400円(税別:24,000円) 2/3"型  
x3 C Tokina KCM-3EX お尋ね下さい 2/3"型  
x4 C Tokina KCM-4EX お尋ね下さい 1/2"型  
x5 C VST SV-5.0XV 税込:26,400円(税別:24,000円) 2/3"型  
x5 C Tokina KCM-5EX お尋ね下さい 2/3"型  
[▲TOP]